管殼式熱交換器
管殼式熱交換器 SHELL AND TUBE HEAT EXCHANGER

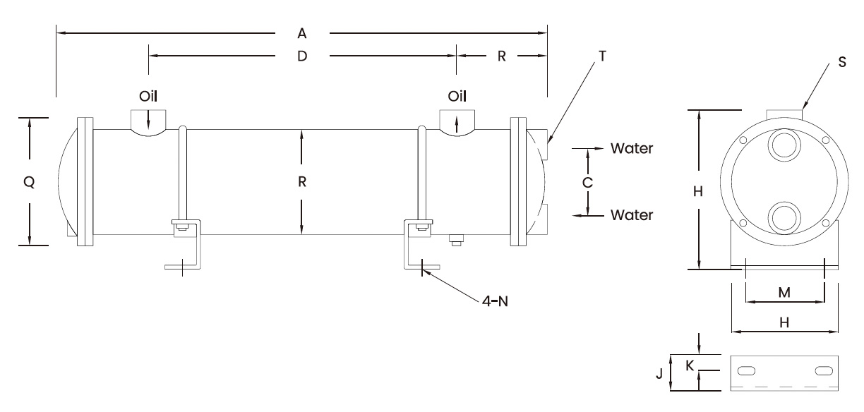
外形尺寸表DIMENSIONS


係採用高效率滾牙銅管製造而成之固定管板式機型,與一般傳統式銷管製品相比,不但提高 散熱效率,而且冷卻器本體體積縮小,最適合油壓機器冷卻系統,熱交器之組合。準確度高-品質穩定的福管系統,管板與散熱管之緊密度萬無一失,精確的CNC中心加工設 備,嚴謹的製做管理,就是品質的保證。
可應用於:
- 機械油壓系統散散
- 車床銑床動力系統散熱
- 龍門銑床動力系統散熱
- 工具機油壓散熱
- 各式機械油壓系統散熱
- 工具機動力系統散熱
- 工程車輛油壓系統散熱
- 混泥土泵車油壓缸散熱
- 農機油壓系統散熱
- 挖礦機伺服散熱
- 車輛馬達散熱
- 怪手油壓缸散熱
- 液壓油冷却


